-
Характеристики
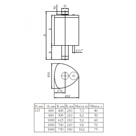
Производитель Термофор Гарантия мес 12 Тип Бак натрубный Объем, л 50 -
Описание
Бак Термофор БАЙКАЛ 50 л самоварного типа ?115, G1/2 предназначен для хранения и нагрева воды непосредственно за счёт тепла дымоходного канала. Бак имеет оригинальную форму треугольника Рёло, которая обеспечивает максимально эффективный высокоскоростной нагрев воды, а также существенно экономит пространство в парной.
Безопасность и удобство бака для нагрева воды:Быстро нагревают большие объёмы воды, благодаря оригинальным инженерно-конструкторским решеням.Долговечны и безопасны за счёт сверхнадежных сварных швов современного специализированного оборудования.Оснащены удобными отверстиями для залива и слива воды, используются стандартные присоединительные размеры.Страна производства: РоссияПроизводитель: ООО "Термофор". РФ, г.Новосибирск, ул.Станционная, д.60/10 , 630071Импортер в РБ: ООО "БАНЬКА", 220114, Минск, Филимонова 55/3 пом 307Сервисный центр: ООО "БАНЬКА", 220114, Минск, Филимонова 55/3 пом 307Срок гарантии 1 год Масса 8,2 кг ДлинахШирина бака 410х416 мм Высота бака 800 мм Диаметр дымохода 115 мм Объём 50 л Водопроводная арматура 1/2 G Материал изготовления AISI 409 Толщина стали 0,8 мм Толщина стали (труба) 1 мм
Бак Термофор БАЙКАЛ 50 л самоварного типа купить в Гродно с доставкой и рассрочкой платежа. -
Отзывы
-
Условия доставки и оплаты
Условия доставки Бак Термофор БАЙКАЛ 50 л самоварного типа в Гродно -
С этим товаром покупают
Гарантия и возврат
Амазонка бай реализует более 10 000 товаров надлежащего качества от проверенных поставщиков, зарекомендовавших себя как ТОП-производители. Гарантия производителя распространяется на гарантийный талон либо иной другой документ его заменяющий.
В случае возникновения гарантийного случая необходимо обратиться в сервисный центр или в наш отдел по рекламациям.
Какие гарантийные сроки?
В основном на продукцию распространяется гарантия от 12 месяцев до 25 лет в зависимости от срока, предусмотренного производителем. Данная информация указана в гарантийном талоне либо ином заменяющем его документе.
За более подробной информацией и разъяснениями можете обращаться к нам по телефону +375 (29) 8000 226. Всегда рады помочь!
Какая информация должна быть в гарантийном талоне?
Гарантия содержит информацию:
- дата реализации;
- модель товара;
- серию и номер.
В талоне проставляется штамп торгующей организации и печать ответственного лица.
Легкий возврат товара
Возврат некачественного товара.
Для возврата приобретенного недоброкачественного товара будет необходимо:
- связаться по телефону +375 (29) 8000 226 с отделом по рекламациям, объяснить причину поломки;
- предоставить документы, свидетельствующие о приобретении: кассовый чек, товарный чек, ТН, договор поставки и иные документы, доказывающие факт приобретения данного товара;
- оформление возврата некачественного товара - заявление;
- согласование возврата денежных средств либо замену товара.
Возврат товара надлежащего качества.
В случае возврата доброкачественного товара, потребитель осуществляет возврат в течение 14 календарных дней с момента приобретения. Товар должен быть в заводской упаковке, без повреждений, содержать все сопроводительные документы (гарантийный талон, паспорт изделия и т.д.) и иметь такой же вид, как при покупке.
Обращаем Ваше внимание, что возврат возможен не на все категории товаров. Перечень непродовольственных товаров надлежащего качества, не подлежащих обмену и возврату, утвержден Постановлением Совета Министров Республики Беларусь № 778 от 14.06.2002 года. (Изделия под заказ, отрезные товары)
Остались вопросы? Позвоните нам для уточнения +375 (29) 8000 226.
Простая замена товара
Я могу вернуть доброкачественный товар?
Да. Если Вы приняли решение вернуть качественный товар, такая возможность действует в течение 14 календарных дней со дня приоретения. Внимание! Товар должен иметь продажный вид как при покупке, без следов эксплуатации.
Однако вернуть можно не все покупки. Перечень непродовольственных товаров надлежащего качества, не подлежащих обмену и возврату, утвержден Постановлением Совета Министров Республики Беларусь № 778 от 14.06.2002 года. Обмен и возврат продукции осуществляется на территории продавца.
Как вернуть недоброкачественный товар?
Для возврата товара ненадлежащего качества требуется:
- обратиться к торговой организации;
- предъявить документы, подтверждающие покупку;
- обязательно предоставить заявление на возврат;
- обговорить возврат средств с менеджером.
Необходимо некачественный товар вернуть по месту расположения продавца.
Кредит и рассрочка товара
Порядок действий для рассрочки:
- 1. Клиент выбирает товар в интернет-магазине.
- 2. Определяется и согласовывает с менеджером сроки и условия рассрочки.
- 3. В зависимости от выбранных условий направляется заявка в банк.
- 4. Банк оперативно рассматривает заявку.
- 5. После подтверждения рассрочки доставляем товар покупателю.

* Скидки и акции при рассрочке не действуют

* Скидки и акции при рассрочке не действуют
название | в месяц | итого | |
---|---|---|---|
Карта Черепаха (8 мес.) | 51 | 411 | |
Альфа-рассрочка (5 мес.) | 82 | 411 | |
Халва (4 мес.) | 103 | 411 | |
Легкие покупки (4 мес.) | 103 | 411 | |
Карта покупок (2 мес.) | 206 | 411 |